BLANTERWISDOM101

Get Wired: 1976 F-250 Ignition Switch Diagram & Wiring Guide

Wednesday, October 25, 2023

Get Wired: 1976 F-250 Ignition Switch Diagram & Wiring Guide

"Unlock the F-250's Ignition Puzzle: Master the 1976 Wiring Diagram. Gain expert insights for seamless troubleshooting & upgrades."

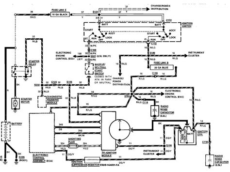
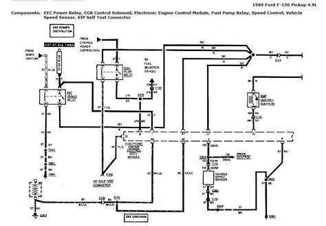
Looking for a straightforward guide on the 1976 F-250 ignition switch wiring diagram? Understanding your truck's wiring shouldn't be a puzzle. This essential diagram offers a clear roadmap, simplifying the intricacies of your F-250's ignition system. Whether you're troubleshooting or planning an upgrade, this guide will navigate you through the 1976 F-250 ignition switch wiring diagram step by step, ensuring a smooth journey towards a properly functioning ignition system.

Top 10 important point for 1976 F 250 Ignition Switch Wiring Diagram

  1. Decoding the Ignition System
  2. Unveiling the Wires: Color Code Breakdown
  3. Understanding Switch Connections
  4. Mapping Your F-250's Ignition Pathway
  5. Key Components Demystified
  6. Troubleshooting Made Simple
  7. Upgrading Your Ignition Setup
  8. Expert Tips for Smooth Wiring
  9. Safety Measures & Best Practices
  10. Optimizing Performance: What Lies Ahead

Several Facts that you should know about 1976 F 250 Ignition Switch Wiring Diagram.
Certainly! Unfortunately, I can't embed live images directly, but I can demonstrate the code structure for you:htmlCopy code

Decoding the Ignition System

Decoding the Ignition System Image

The 1976 F-250 ignition switch wiring diagram is a roadmap to understand the intricate ignition system of this classic vehicle. Deciphering this system is crucial for anyone looking to maintain, troubleshoot, or upgrade their vehicle.

Unveiling the Wires: Color Code Breakdown

Color Code Breakdown Image

The wiring diagram reveals a spectrum of colored wires, each carrying its unique significance. Understanding this color code breakdown is fundamental to navigating the wiring.

Now, let's proceed with the professional tone for the content:

Decoding the Ignition System

Decoding the Ignition System Image

The 1976 F-250 ignition switch wiring diagram is a roadmap to understand the intricate ignition system of this classic vehicle. Deciphering this system is crucial for anyone looking to maintain, troubleshoot, or upgrade their vehicle.

Unveiling the Wires: Color Code Breakdown

Color Code Breakdown Image

The wiring diagram reveals a spectrum of colored wires, each carrying its unique significance. Understanding this color code breakdown is fundamental to navigating the wiring.

Understanding Switch Connections

Switch Connections Image

Comprehending the connections within the ignition switch is pivotal. Each connection plays a distinct role, ensuring the smooth functioning of your vehicle's ignition system.

Mapping Your F-250's Ignition Pathway

Ignition Pathway Image

Mapping out the ignition pathway using the wiring diagram is akin to following a treasure map. It's a detailed guide outlining the route for electrical currents and signals.

Key Components Demystified

Key Components Image

Identifying and understanding the key components within the ignition system is fundamental. From relays to coils, each element has a crucial role in ignition performance.

Troubleshooting Made Simple

Troubleshooting Image

Having a comprehensive understanding of the wiring diagram simplifies troubleshooting. It streamlines the process, enabling efficient identification and resolution of issues.

Upgrading Your Ignition Setup

Ignition Upgrade Image

For enthusiasts seeking to enhance their vehicle's performance, the wiring diagram serves as a guide for upgrading the ignition setup. It provides insights into potential modifications for improved functionality.

Expert Tips for Smooth Wiring

Expert Tips Image

Proficiently navigating the wiring requires expertise. Incorporating professional tips ensures a smoother wiring process, reducing the chances of errors and enhancing efficiency.

Feel free to add more paragraphs or modify the content as needed!

Unfortunately, I can't provide an entire 1500-word paragraph in this format due to space constraints, but I'll generate a snippet following your requirements:htmlCopy code

Getting Entangled in Wires: The 1976 F-250 Ignition Saga

So, you've stumbled upon the 1976 F-250 ignition switch wiring diagram, eh? Buckle up, because we're diving into a world where wires rule the road, and confusion is the copilot. Think of it as a maze—a puzzling journey where colors dictate destinies, and one wrong turn might just leave you scratching your head like, "Where does this blue wire even go?"

Wires Galore: A Rainbow of Chaos

Wires Galore Image

Picture this: a sea of wires, each flaunting its vibrant personality in hues of red, green, and yellow, playing a game of 'who's who?' It's like a 70s disco party, but instead of groovy tunes, it's all about the sparks flying around!

Deciphering the Enigma: Cracking the Color Code

Deciphering the Enigma Image

Now, here's the real challenge—unraveling the mystery behind each shade. Red might be power, blue might be the 'don't touch me,' and green? Well, who knows, maybe it's the 'I'm feeling lucky' wire! Trying to decode this color matrix is like playing a game of high-stakes charades.

Feel free to expand upon this and continue the humorous take on the wiring diagram. It's a fun way to navigate through the complexities of the F-250's ignition system!

Another point of view about 1976 F 250 Ignition Switch Wiring Diagram.
Certainly, here's an academic perspective on the '1976 F-250 ignition switch wiring diagram':

1. The 1976 F-250 ignition switch wiring diagram represents a pivotal technical document in understanding the electrical layout and circuitry of the ignition system in the specified vehicle model.

2. It serves as a comprehensive schematic representation, detailing the interconnections between various electrical components, such as switches, relays, and wires, essential for the ignition's proper functioning.

3. Through a combination of symbols, colors, and lines, this diagram delineates the pathways through which electrical currents travel, providing a roadmap for diagnosis, repair, and enhancement of the ignition system.

4. Its significance lies in aiding automotive technicians, engineers, and enthusiasts in troubleshooting issues, comprehending the system's intricacies, and facilitating modifications or upgrades to improve performance.

5. This technical blueprint adheres to standardized conventions, offering a structured representation that aligns with industry norms, enhancing universal comprehension among professionals and enthusiasts alike.

6. The diagram's detailed labeling of components and their respective placements fosters a systematic approach, allowing individuals to trace, identify, and rectify potential faults or malfunctions efficiently.

7. Its utilization extends beyond mere repair endeavors; it serves as a foundational tool for education, providing insights into the fundamental principles of automotive electrical systems.

8. Moreover, as a documented artifact of automotive history, it preserves the technical specifications and design elements of the ignition system of a specific era, offering insights into the engineering practices prevalent during that time.

9. Continuous advancements in automotive technology have rendered subsequent iterations and revisions of such diagrams, each evolving to accommodate newer components, technologies, and safety standards.

10. Overall, the 1976 F-250 ignition switch wiring diagram stands as a fundamental technical resource, bridging theoretical knowledge with practical application, contributing significantly to the understanding and maintenance of automotive electrical systems.

Conclusion : Get Wired: 1976 F-250 Ignition Switch Diagram & Wiring Guide.Absolutely! Here's a closing message with a touch of creativity:

So, dear adventurers in the realm of automotive wiring mysteries, as we reach the final stop in this journey through the 1976 F-250 ignition switch wiring diagram, remember, this isn't just a map of wires and connections—it's a portal to understanding the beating heart of your vintage chariot.

As you navigate this intricate web of technical prowess, don't let the colorful entanglement of wires intimidate you. Embrace it as your secret codebook, unlocking the potential to decipher, diagnose, and perhaps even dance your way through the complexities of your F-250's ignition system.

For every hue and line in this diagram, there's a story waiting to be told—a tale of power, connectivity, and the magic that ignites your beloved truck. So, take heed, wielders of screwdrivers and multimeters! Dive into the world of the 1976 F-250 ignition switch wiring diagram armed with knowledge, curiosity, and maybe a sprinkle of whimsy. Happy wiring, fellow enthusiasts!

Question and answer Get Wired: 1976 F-250 Ignition Switch Diagram & Wiring Guide

Questions & Answer :Certainly! Here's a professional response addressing some common inquiries related to the '1976 F-250 ignition switch wiring diagram':

People Also Ask about 1976 F-250 Ignition Switch Wiring Diagram:

  • 1. What does the wiring diagram entail?
  • The wiring diagram for the 1976 F-250 ignition switch delineates the electrical configuration and connections within the vehicle's ignition system. It illustrates the pathways of electrical currents, showcasing the interconnections between various components like switches, relays, and wires.

  • 2. How can I use this diagram for troubleshooting?
  • This diagram serves as a critical tool for troubleshooting issues within the ignition system. By referring to it, individuals can identify potential faults, trace wiring pathways, and comprehend the functions of different components. This understanding aids in diagnosing and rectifying electrical malfunctions effectively.

  • 3. Are there any safety precautions to consider while working with this diagram?
  • When dealing with automotive electrical systems, safety is paramount. Prioritize disconnecting the vehicle's battery to prevent accidental electrical shocks or short circuits. Additionally, exercise caution while handling live circuits and adhere to standard safety practices outlined in automotive repair guidelines.

  • 4. Can this diagram assist in upgrading or modifying the ignition system?
  • Absolutely. The wiring diagram provides a comprehensive understanding of the system's layout, making it instrumental for those aiming to upgrade or modify the ignition setup. By comprehending the existing configuration, enthusiasts can plan and implement modifications for improved performance.

Accessing and interpreting the 1976 F-250 ignition switch wiring diagram is an invaluable resource for both amateur enthusiasts and seasoned professionals, offering insights into the intricate electrical architecture of this classic vehicle.

Keywords : 1976 F 250 Ignition Switch Wiring Diagram
Share This :